-
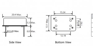
48MHz HCMOS 有源晶振5V全尺寸FULL SIZE DIP14
(晶诺威科技产全尺寸FULL SIZE DIP14尺寸及引脚说明) 关于48MHz HCMOS 有源晶振5V全尺寸FULL SIZE DIP14,晶诺威科技介绍如下: Frequency标称频率:48MHz Voltage Supply供电电压:5V Package 封装尺寸:FULL SIZE D…时间:2025/06/02 -
1.2288MHz 5V方波输出CMOS/10TTL全尺寸Full Size钟振Clock Oscillator
关于1.2288MHz 5V方波输出(CMOS/10TTL)全尺寸(Full Size)钟振(Clock Oscillator),晶诺威科技介绍如下: 特点及优势 Fully compatible with TTL circuitry 完全兼容TTL电路。 Output load多种输出负载可选:1…时间:2024/07/13 -
2.048MHz直插有源晶振PXO14电压5V输出负载50pF规格参数
关于2.048MHz直插有源晶振PXO14 电压5V 输出负载50pF规格参数,晶诺威科技介绍如下: CRYSTAL OSCILLATOR SPECIFICATION晶体振荡器主要规格 1.Description产品描述: Crystal Oscillator 2.Nominal Frequency…时间:2024/07/08 -
全尺寸DIP14/半尺寸DIP8直插有源晶振9.216MHz
关于全尺寸DIP14/半尺寸DIP8直插有源晶振9.216MHz,晶诺威科技介绍如下: 一、Main applications 主要应用领域 monitoring devices(监控设备), computers(计算机), wireless 1an card & wire 1an card…时间:2024/06/29 -
50MHz高精度直插温补晶振TCXO DIP-14参数说明
晶诺威科技产50MHz高精度直插温补晶振TCXO DIP-14参数说明如下: Nominal Frequency(标称频率):50MHz Dimensions(尺寸):20.8*12.8*8mm 50MHz高精度直插温补晶振TCXO DIP-14特点及优势: 频率高精度:±0.5PPM(常温25℃下…时间:2024/01/23 -
声卡晶振频率是多少MHz?
声卡晶振频率是多少MHz? 答:24.576 MHz,即:24,576,000Hz。 晶诺威科技解释如下: 声卡晶振和声卡芯片相连,频率为24.576 MHz。晶振损坏后,会造成声音变质或无声故障。晶振24.576MHz被称之为音频专用晶振。该晶振直接为负责音频解码的芯片提供时钟信号。音频芯片若要做…时间:2023/10/23 -
22.5792M直插有源晶振PXO8/PXO14/TCXO-DIP8/ TCXO-DIP14电气参数说明
晶诺威科技产22.5792M直插有源晶振PXO8/PXO14/TCXO-DIP8/ TCXO-DIP14电气参数说明如下: 关于22.5792M直插有源晶振PXO8/PXO14 22.5792M直插有源晶振PXO8/PXO14属于普通石英晶体振荡器(钟振、Oscillator)系列,适用于对频率信号…时间:2023/03/30 -
晶诺威科技有源晶振直插封装规格型号及引脚说明
(晶诺威科技产直插封装有源晶振) 晶诺威科技有源晶振直插封装规格型号及引脚说明如下: 在通常情况下,石英晶体振荡器(有源晶振)直插封装有两种型号可选:DIP8和DIP14。 DIP8:指半尺寸封装,又称正方形晶体振荡器。 DIP14:指全尺寸封装,又称长方形晶体振荡器。 需要指出的是,这里的“8”和…时间:2023/03/29 -
CMOS输出10MHz高精度石英温补振荡器TCXO DIP14规格及参数
(TEST DATA FOR TCXO-DIP14-10MHZ-5V) 关于CMOS输出10MHz高精度石英温补振荡器TCXO DIP14规格及参数,晶诺威科技介绍如下: MAIN ELECTRICAL CHARACTERITICS主要电气参数 标称频率Nominal Frequency: 10.0…时间:2022/09/20 -
正方形半尺寸PXO8及长方形全尺寸PXO14直插钟振规格参数
晶诺威科技产正方形半尺寸PXO8及长方形全尺寸PXO14直插钟振规格参数,详情如下: 直插晶体振荡器(有源晶振、OSC)主要分两种,即PXO8和PXO14。 1、PXO8:别名有:正方形直插钟振、半尺寸直插有源晶振: 2、PXO14:别名有:长方形直插钟振、全尺寸直插有源晶振: 晶体振荡器的全尺寸和…时间:2022/06/29
