-
PXO-DIP8是什么晶振封装类型?
PXO-DIP8是什么晶振封装? 答:晶诺威科技产PXO-DIP8 指的是一种直插式封装的普通有源晶振(晶体振荡器)。简单来说,它是一个正方块、有4个金属引脚、能自己产生稳定时钟信号的电子元件。 PXO: 是普通晶体振荡器(Plain Xtal Oscillator)的缩写。它是最基础的有源晶振,只…时间:2026/04/17 -
全尺寸DIP14/半尺寸DIP8直插有源晶振9.216MHz
关于全尺寸DIP14/半尺寸DIP8直插有源晶振9.216MHz,晶诺威科技介绍如下: 一、Main applications 主要应用领域 monitoring devices(监控设备), computers(计算机), wireless 1an card & wire 1an card…时间:2024/06/29 -
声卡晶振频率是多少MHz?
声卡晶振频率是多少MHz? 答:24.576 MHz,即:24,576,000Hz。 晶诺威科技解释如下: 声卡晶振和声卡芯片相连,频率为24.576 MHz。晶振损坏后,会造成声音变质或无声故障。晶振24.576MHz被称之为音频专用晶振。该晶振直接为负责音频解码的芯片提供时钟信号。音频芯片若要做…时间:2023/10/23 -
22.5792M直插有源晶振PXO8/PXO14/TCXO-DIP8/ TCXO-DIP14电气参数说明
晶诺威科技产22.5792M直插有源晶振PXO8/PXO14/TCXO-DIP8/ TCXO-DIP14电气参数说明如下: 关于22.5792M直插有源晶振PXO8/PXO14 22.5792M直插有源晶振PXO8/PXO14属于普通石英晶体振荡器(钟振、Oscillator)系列,适用于对频率信号…时间:2023/03/30 -
晶诺威科技有源晶振直插封装规格型号及引脚说明
(晶诺威科技产直插封装有源晶振) 晶诺威科技有源晶振直插封装规格型号及引脚说明如下: 在通常情况下,石英晶体振荡器(有源晶振)直插封装有两种型号可选:DIP8和DIP14。 DIP8:指半尺寸封装,又称正方形晶体振荡器。 DIP14:指全尺寸封装,又称长方形晶体振荡器。 需要指出的是,这里的“8”和…时间:2023/03/29 -
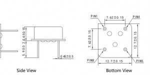
高精度直插有源晶振TCXO-DIP14 32MHz规格参数说明
晶诺威科技产高精度直插有源晶振TCXO-DIP14 32MHz主要参数如下: PRODUCT TYPE:温补晶体振荡器 TCXO-DIP14(全尺寸) NOMINAL FREQUENCY 标称频率: 32 .000000MHz GNW P/N 料号:14TG32M5D Dimension 尺寸: 2…时间:2023/03/29 -
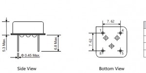
8MHz TCXO-DIP8半尺寸高精度温补晶体振荡器电气参数说明
8MHz TCXO-DIP8外形尺寸图(Unit:mm) 晶诺威产8MHz TCXO-DIP8半尺寸高精度温补晶体振荡器电气参数说明如下: Description产品描述: TCXO-DIP8 Nominal Frequency标称频率: 8.000000MHz Output输出波形:CMOS Fr…时间:2022/11/25 -
正方形半尺寸PXO8及长方形全尺寸PXO14直插钟振规格参数
晶诺威科技产正方形半尺寸PXO8及长方形全尺寸PXO14直插钟振规格参数,详情如下: 直插晶体振荡器(有源晶振、OSC)主要分两种,即PXO8和PXO14。 1、PXO8:别名有:正方形直插钟振、半尺寸直插有源晶振: 2、PXO14:别名有:长方形直插钟振、全尺寸直插有源晶振: 晶体振荡器的全尺寸和…时间:2022/06/29 -
晶振的频率稳定度,频率精度,长期稳定度的主要区别是什么?
通常人们说的晶振稳定度(Frequency Stability)指的是温度稳定度,即温度频差,因为温度稳定度是衡量晶振短期稳定性的最主要的指标。比如: 温度频差:±10ppm~ ±30ppm 工作温度(°C):-20~+70,-40~+85 频率精度(Frequency Tolerance),即调整…时间:2021/09/09
