-
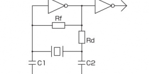
导致无源晶振振荡电路不工作的原因分析
导致无源晶振振荡电路不工作的原因分析如下: 芯片设置 尝试对芯片进行重置,以启用振荡电路。请检查是否已完成所需设置。 C-MOS逆变器 请确认振荡电路C-MOS逆变器已发挥反相放大器功能。 反馈电阻(Rf)作为偏置电阻的作用非常重要,可使C-MOS逆变器发挥反相放大器功能。请检查Rf是否已集成至芯片…时间:2021/09/19 -
RTC晶振32.768KHz时钟电路原理及振荡电路计算公式
RTC晶振的频率会受到其外接电容的影响。皮尔斯振荡器是RTC内部最常用的RTC振荡器电路。它通常由RTC晶振,逆变器和外接电容组成。 (RTC内部装有一个振荡器电路) 由RTC晶振和外接电容组成的等效电路如下图所示 (基于RTC晶振和外接电容的等效电路) 在所示的电路中,RCL串联电路与C0和CL并…时间:2021/08/24 -
上板测试为何晶振不起振?
上板测试为何晶振不起振原因分析: 通常振荡电路在设计时会有一个负性阻抗,这个负性阻抗通常会与电路的反馈系数、有源元件的放大倍数有关。 石英谐振器(无源晶振)作为选频元件,本身有一个等效的谐振电阻。这个谐振电阻与谐振器的封装尺寸、频率有关,通常谐振器尺寸越小,谐振电阻越大;频率越低,谐振电阻越大。 当…时间:2021/04/13 -
关于无源晶振起振电路设计注意事项
在无源晶振起振电路设计时,我们应当注意以下三点: 对地电容(外接电容) 如果在无源晶振振荡电路中对地电容(外接电容)与无源晶振本身负载电容(CL)没有做到最佳匹配,可能导致振荡频率与设计频率(目标频率)之间产生偏差,即我们所说的“频偏”。 在无源晶振振荡电路中,晶振负载电容、杂散电容与对地电容之间的…时间:2021/04/02 -
晶体引脚xout无波形信号输出是怎么回事?
若遇到晶体引脚xout无波形输出时,建议如下: 1、将示波器通道设置为交流耦合,10X档位。确保晶体主板上电起振后,拔掉探头的套子,露出探针。将探头夹子接到主板接地部位,用探针的针尖轻轻接触晶体的其中一个引脚或者其焊盘部位(输出脚或输入脚均可)。 2、查晶体是否虚焊或曾经遭受外力破坏,比如跌落,长时…时间:2021/03/12 -
晶振的类型及晶振在单片机系统中的作用
首先,晶振的类型分为直插DIP和贴片SMD两种: 直插DIP类型MHz晶振常见有 49S与圆柱,如下图所示: (49S晶振25MHz:有三引脚与两引脚两种) (圆柱晶振16MHz:常见尺寸为2*6与3*8) SMD晶振可以选择不同尺寸(1.6x1.2mm、2.0x1.6mm、2.5x2.0mm、3.…时间:2020/12/30 -
三种常见晶振振荡电路图例
石英晶振是一种最为常见的电子频率元件。晶振的作用是为时钟芯片提供时钟信号。石英晶振具备高稳定,高精度及抗干扰性等优良特性,因此被广泛应用于大量数码电子产品之中。 常见的晶振振荡电路有三种:基波振荡电路、谐波振荡电路及压控振荡电路。 (基波振荡电路:晶振以基波模式振荡) (…时间:2020/12/27
