-
晶振CMOS输出信号和差分输出信号可以直接互换吗?
(差分信号) (CMOS单端信号) 晶振CMOS输出信号和差分输出信号可以直接互换吗? 答:通常情况下,CMOS信号和差分信号不能直接互换或替代。 晶诺威科技解释如下: 1、信号类型 CMOS输出: 单端信号。 差分信号: 通过检测两根导线之间的电压差确定逻辑状态,抗噪声能力强。 2、噪声干扰 CM…时间:2024/09/27 -
高精度时钟源TCXO(温补晶振)4种输出模式
关于高精度时钟源TCXO(温补晶振)4种输出模式,晶诺威科技介绍如下: CMOS 输出方波信号,高驱动力,适合数字电路与通信,功耗稍高; HCMOS 强化版CMOS,更高驱动与转换速度,专为高速数字系统而生,功耗也较高; Clipped Sine Wave 削峰正弦波,低电磁干扰,低功耗,是模拟电路…时间:2024/07/23 -
晶体振荡器在无线电台中的作用
在无线电台中,晶体振荡器扮演着至关重要的角色。它不仅仅是时钟的指挥者,更是无线电通信的基石。 晶体振荡器提供的稳定频率用作本振(Local Oscillator)频率的基准。本振的核心作用就是调谐,也就是说,通过晶振频率来生成无线电信号的正确频率,无论是接收遥远星系的信号,还是在朋友之间远距离传递无…时间:2024/02/29 -
VC-TCXO输出的是什么波形?
VC-TCXO输出的是什么波形? 答:VC-TCXO(压控温补晶振)通常输出的波形为CLIPPED SINE WAVE(削峰正弦波)或CMOS(方波)。也有少数应用为SINE WAVE(正弦波)。 晶诺威科技产VC-TCXO(压控温补晶振)规格参数举例如下:时间:2024/02/19 -
HCMOS是什么波形?
(Common output types) HCMOS是什么波形? 答:HCMOS是方波的一种,属于数字电路最常见应用波形之一。HCMOS(H:High Speed,是“高速”的意思)。HCMOS 指的是高速CMOS。英文解释:HCMOS stands for High speed CMOS. 晶诺…时间:2023/11/30 -
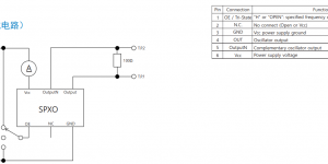
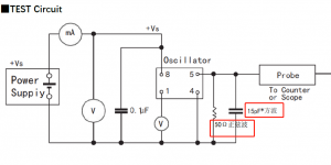
方波输出Cmos output TCXO2016 规格参数及测试电路
关于方波Cmos output TCXO2016 规格参数解释如下: 输出波形: 电气参数: (TA=+25°C Vcc=+3.3V Lcmos=15pF) 注 1、参考标称频率 2、回流焊后请在室温下放置8小时或更长时间。 3、参考频率(TA=+25°C) 建议工作环境: 测试电路 尺寸及引脚…时间:2023/06/30 -
TCXO温补晶振为何以Clipped Sine wave(削峰正弦波)输出为主?
[caption id="attachment_5476" align="aligncenter" width="655"] Female hand with smartwatch and health application icons nearby.[/caption] TCXO温补晶振为何以C…时间:2023/04/11 -
方波/正弦波输出插件式TCXO温补晶振规格参数
晶诺威科技产方波/正弦波输出插件式TCXO温补晶振规格参数,介绍如下: TCXO-DIP14-1主要参数: 频率范围:10KHz to 1000KHz 体积:20.4x12.8x8mm 工作电压:3.3V,5V 调整频差:±0.5 ppm 工作温度(°C):-20~+70,-40~+85 输出方式:…时间:2023/02/15 -
8MHz TCXO-DIP8半尺寸高精度温补晶体振荡器电气参数说明
8MHz TCXO-DIP8外形尺寸图(Unit:mm) 晶诺威产8MHz TCXO-DIP8半尺寸高精度温补晶体振荡器电气参数说明如下: Description产品描述: TCXO-DIP8 Nominal Frequency标称频率: 8.000000MHz Output输出波形:CMOS Fr…时间:2022/11/25 -
TCXO温补晶振三种输出类型:削峰正弦波、正弦波或方波
TCXO温补晶振三种输出类型:削峰正弦波、正弦波或方波,说明如下: 1、Clipped Sine Wave:削顶(峰)正弦波 与方波相比,Clipped Sine Wave谐波分量少很多,但驱动能力较弱,通常为SMD3225、SMD2520、SMD2016等封装的表贴温补晶振使用的输出波形。例如: …时间:2022/11/03
