-
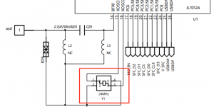
无源晶振的输出频率与负载电容及匹配电容的关系
关于无源晶振的输出频率与负载电容及匹配电容的关系,晶诺威科技解释如下: 无源晶振,准确来说应叫Crystal(晶体),有源晶振则叫Oscillator(振荡器)。无源晶振是在石英晶片的两端镀上电极而成,其两管脚是无极性的。无源晶振自身无法震荡,在工作时需要搭配外围电路。在一定条件下,石英晶片会产生压…时间:2024/01/06 -
无源晶振需要接地(GND)吗?
(晶诺威科技生产的四引脚无源贴片晶振脚1与脚3为频率管脚,而脚2与脚4为接地脚。) 无源晶振需要接地(GND)吗? 答:这需要视情况而定。 关于无源晶振是否需要接地(GND),晶诺威科技解释如下: 如果晶振与电路之间产生的电磁干扰可以忽略不计,就可以选择两引线晶振。两引线晶振只有频率信号输入脚和频率…时间:2023/11/04 -
电路板上的杂散信号对晶振的影响是什么?
电路板上的杂散信号对晶振的影响是什么? 答:造成干扰,引发信号失真。 关于电路板杂散超差带来的问题,晶诺威科技解释如下: 杂散信号可能会通过晶振引脚或周边电路传导,干扰其它电子元件的正常工作。尤其是在高频应用中,这种干扰可能导致晶振信号失真、通信错误或其它性能问题。 若晶振信号受到干扰,这对于要求高…时间:2023/07/03 -
有源晶振和无源晶振如何接MCU?
关于有源晶振和无源晶振接MCU的方法,晶诺威科技解释如下: 有源晶振如何接MCU? 有源晶振上电直接输出振荡波形信号,直接给MCU用。常规有源晶振只有一个频率信号输出脚,并没有频率输入脚。 具体操作: 有源晶振首先要与MCU共地,供电(Power Supply),然后接MCU信号输入引脚(OSC_I…时间:2023/06/20 -
为什么晶振只有两个脚有功能,但是板子上却接四个脚?
为什么晶振只有两个脚有功能,但是板子上却接四个脚? 答:四个引脚的晶体谐振器的确只有两个功能脚,即频率输入脚和频率输出脚。四引脚晶体谐振器引脚说明如下: 晶诺威科技生产的四脚无源晶振(晶体谐振器)脚1和脚3(脚1和脚3为对角)为频率管脚,没有方向性。脚2和脚4(脚2和脚4为对角)与晶振金属外壳连接,…时间:2023/06/09 -
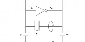
无源晶振不接单片机或MCU会起振吗?
无源晶振不接单片机或MCU会起振吗? 答:不会起振。 无源晶振又名晶体谐振器(resonator),只有在正确组建的振荡电路中(即,在满足振荡条件之下)才会起振。如下图所示: 无源晶振是一种无极性元件,没有正负极之分。晶振的工作原理是通过施加电场来产生机械振动,这种机械振动会引起晶体内部的电荷分布发…时间:2023/03/30 -
插件晶振49S停振
(插件无源晶振49S产品图) 排除晶振电路应用不当因素(如49S晶振两引脚之间短路等),若实测晶振单体停振,可判定为晶振品质不合格。 在晶振制造过程中,尤其是对石英晶片镀膜时,空气洁净度需要严格控制,一旦石英晶片被尘埃或水蒸气污染,在晶片振动过程中,污染物可能会附着于石英晶片表面(包括低温下水蒸气凝…时间:2021/11/15 -
关于无源晶振驱动电流功率drive level说明及测试方法
无源晶振的驱动电流drive level 晶振驱动电流表示振荡电路工作时无源晶振的功耗驱动级别,驱动功率(激励功率)单位为μw,这个数值可以参照晶振规格书。说明一下:晶振产品的驱动电流已由晶振制造商决定。无源晶振保持在规范内驱动级别非常关键。过高的驱动电流可能会导致频率和等效串联电阻的意外变化。 英…时间:2021/10/28 -
石英晶体振荡器原理和特点
在晶振产品领域,石英晶体振荡器指的是有源晶振,而石英晶体谐振器则是指无源晶振。晶振为这两类产品的统称。 应用区别: 无源晶振需要与外接电容与之匹配使用,其输出频率的精度容易受到外接电容大小及周边杂散电路产生的电磁干扰的影响。 有源晶振不需要匹配外接电容,其频率信号相对稳定,在很大程度上…时间:2020/07/14 -
晶振的负载电容与外接电容的区别与关系
经常遇到有人把晶振的负载电容与外接电容混淆,甚至还有人误以为这是指同样的参数。这里需要特别指出的是: 若你这样想,就大错特错了。 负载电容指的是晶振的一个内部重要电气参数。 一般情况下,对功耗不太敏感的电子设备PCBA上,常见的晶振负载电容为 15PF、18PF、20PF。那么,诸如腕表、手机、蓝牙…时间:2020/07/04
