-
无源晶振在电路中的使用条件
关于无源晶振在电路中的使用条件,晶诺威科技归纳如下: 1、驱动级别(Drive level/DL) 如果晶振的激励功率标注为“100μW max.”,则意味着如果驱动功率太高(如:大于100μW),可能会导致晶体谐振器异常振荡或损坏)。 2、负载电容(Capacitance Load/CL) 要求电…时间:2024/03/05 -
晶振振荡电路中的负阻一般多大?
晶振振荡电路中的负阻一般多大? 答:若要获得稳定的振荡电路,振荡电路IC的负电阻值(-R)至少为晶振等效阻抗的3~5倍以上,即绝对值|-R|>3~5*R。 举例来说: 如果晶振电路阻抗总值为30Ω,那么,我们建议IC的负电阻值需要至少在-150Ω,这样才能有效保障振荡回路的稳定性。时间:2023/04/25 -
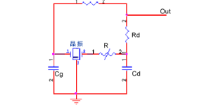
关于无源晶振振荡回路设计的四个注意事项
关于无源晶振振荡回路设计的四个注意事项,归纳如下: 1、晶振振荡回路参数设置参考 2、晶振振荡补偿 除非在振荡电路中提供足够的负极电阻(负性阻抗/负电阻/-R),否则会增加振荡启动时间,或不发生振荡。为避免该情况发生,请在电路设计时提供足够的负极电阻。 3、晶振负载电容 如果振荡电路中…时间:2022/05/30 -
晶振等效电路:负性阻抗与负载电容/晶振等效阻抗的关系
Pierce 或 Colpitts 振荡器通常与晶体一起使用,以产生时钟或频率参考,这两种振荡器电路均称为“三点振荡器”。 (带晶振的三点振荡器的等效电路) ( Colpitts oscillator) ( Pierce oscillator) 负性阻抗(负…时间:2021/12/31 -
晶振的负电阻指的是什么?
晶振的负电阻指的是什么? 负电阻 英文:Negative Resistance 英文简称: - R 单位符号:Ω 晶振负电阻又被称之为负性阻抗,指的是通过提高电路增益去抵消晶振来自自身及等效电路的阻碍,从而达到正常振动的目的,其增益值即为负电阻。 显然,只是实现晶振成功起振还远远不够。我们需要晶振处…时间:2020/12/01 -
晶振振荡电路中负性阻抗到底是什么?
晶振负性阻抗 英文名称:Negative Resistance 英文简称: - R 负性阻抗是指振荡电路为了提高晶振起振能力而通过设计途径来增加的反向补偿参数指标。 特别提醒:振荡电路上必需提供足够的多的补偿值来补偿晶振振动时的机械能损失。负性阻抗不是晶振的内置参数, 而是振荡电路的一项重要参数。 …时间:2020/06/30
