-
5V有源晶振OSC3225-6.063MHz电气参数介绍
关于晶诺威科技产5V有源晶振6.063MHz,介绍如下: 基本参数: 1. Description 产品描述: Crystal Oscillator 晶体振荡器/有源晶振 2. Nominal Frequency 标称频率: 6.063000MHz 3. Supply Voltage 供电电压:5V…时间:2025/10/10 -
晶诺威产OSC3225有源晶振产品说明
晶诺威产OSC3225有源晶振产品说明如下: 型号(Item /Type):OSC3225贴片晶体振荡器 输出类型(Output Type):CMOS(方波) 输出负载(Output Load):15pF或定制 振荡模式(Overtone):基频 工作电压(Supply Voltage):1.8V …时间:2022/12/01 -
宽电压有源晶振SMD3225规格参数
晶诺威科技宽电压有源晶振SMD3225测试电路 晶诺威科技宽电压有源晶振SMD3225规格参数介绍如下: 工作电压: 1.62 ~ 3.63V 尺寸: 3.2x2.5x1.0mm 输出模式: CMOS 频率范围: 1 to 125 MHz 工作温度范围: -20 ~+70℃,-40 ~…时间:2022/10/17 -
OSC3225有源贴片晶振27.1412MHz规格参数及说明
(OSC3225贴片有源晶振27.1412MHz引脚说明) 晶诺威产OSC3225有源贴片晶振27.1412MHz特点 低功耗可选(工作电压:1.8V~3.3V) 高精度 高稳定 支持三态功能(Tri-state) 低相噪 低抖动 OSC3225有源贴片晶振27.1412MHz具体电气参数 晶振类型…时间:2022/07/23 -
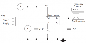
8MHz有源晶振OSC3225 规格参数及测试电路图
(HCMOS OUTPUT:8MHz 5V) 晶诺威科技产8MHz有源晶振OSC3225 主要规格参数SPECIFICATION FOR OSC 8MHz 品名SPECIES: 石英晶体振荡器/有源晶振/钟振/Oscillator/OSC 尺寸Size:3.2x2.5x1.0mm 标称频率 Nomi…时间:2022/07/19 -
贴片无源晶振SMD3225/贴片有源OSC3225封装尺寸及电气参数
贴片式3225封装尺寸晶振分为有源晶振和无源晶振两种类型。为了与贴片无源晶振SMD3225在表述上加以区分,我们习惯上把贴片有源晶振3225称之为OSC3225。详解如下: 1、贴片有源晶振OSC3225电气参数及特点 贴片金属封装:3.2*2.5*1.0mm 高频率输出范围:1.544MHz~65…时间:2022/07/11
