-
OSC有源晶振接单片机/芯片/MCU哪个脚?
OSC有源晶振接单片机/芯片/MCU哪个脚? 答:接单片机/芯片/MCU的频率(时钟)信号输入脚(OSC IN/CLK IN)。如果单片机/芯片/MCU还具备频率(时钟)信号输出脚(OSC OUT/CLK OUT),该引脚悬空(FLOATING)即可。 如下图所示: 晶诺威科技产有源晶振OSC322…时间:2024/12/25 -
为什么晶振有四个pin引脚(pad焊盘)?
(无源晶振典型应用电路) 为什么晶振有四个pin引脚(pad焊盘)? 答:这个问题需要分情况来回答。晶诺威科技解释如下: 晶振分为无源晶振(晶体谐振器、crystal resonator)和有源晶振(晶体振荡器、crystal oscillator)两大类。 无源晶振只有两个频率管脚,因此我们经常见…时间:2024/06/20 -
关于有源晶振边侧引线(side pads)功能的特别说明
关于晶诺威科技产有源晶振边侧引线(side pads)功能的特别说明如下: When soldering the crystal oscillators onto boards, make sure the side pads are not shorted or in contact to sol…时间:2024/03/22 -
石英晶体振荡器的主要优点是什么?
石英晶体振荡器的主要优点是什么?主要有三点: 1、 石英晶体振荡器可以产生非常稳定的振动信号、耗电少、而且使用寿命长。 2、 石英晶体振荡器的损耗非常小,即Q值非常高。 3、石英晶体振荡器的频率单一不可调,输出频率精度高,温漂时漂都很小,一般射频通讯或遥控载频振荡器、智能系统时基等都采用石英晶体振荡…时间:2023/10/29 -
晶体振荡器的工作原理图
(晶体振荡器的工作原理图) Employing the piezoelectric effect, a crystal functions as a high-Q, stable, and precise resonant element in the feedback loop of an osc…时间:2023/05/26 -
石英晶体是不是振荡器?
石英晶体是不是振荡器? Quartz crystals are used in circuits where a very accurate and constant frequency is required, e.g. in most transmitters, in clocks, micro…时间:2023/05/22 -
什么是Crystal Oscillator(晶体振荡器)?
What is an Oscillator? 什么是振荡器? What is an Oscillator? An oscillator provides a source of repetitive A.C. signal across its output terminals without ne…时间:2023/05/17 -
晶体谐振器还是晶体振荡器?无源晶振还是有源晶振?
基于石英的晶体振荡器是负责几乎所有电子电路中频率/定时精度和性能的核心组件。因此,它们需要随着时间的推移而准确和精确。当然,“完美”振荡器只存在于理论上,因此设计人员面临的问题是合适的振荡器来满足设计目标。这不是一件容易的事。 一旦确定了应用的性能要求,设计人员就需要找到在相关电路的性能、成本、稳定…时间:2023/05/11 -
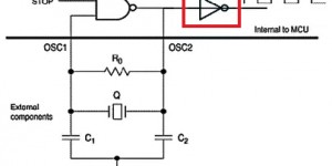
无源晶振(晶体谐振器)振荡电路失效分析
关于无源晶振(晶体谐振器)振荡电路失效问题,我们主要从以下三个当面来分析: 检查芯片设置 某些芯片需要进行编程或复位以启用振荡电路,因此若振荡电路不工作,请检查芯片是否已完成所需设置。 检查C-MOS逆变器的功能作为放大器。 请确保用于石英晶体振荡器振荡电路的C-MOS逆变器用作反相放大器。 反馈电…时间:2023/04/29
