-
在振荡器中什么是TIGHT SYMMETRY?
在振荡器中什么是TIGHT SYMMETRY? 答:在振荡器的电气参数中,SYMMETRY指的是占空比,通常有40%~60%或45%~55%两个指标可选。 TIGHT SYMMETRY指的是45%~55%这个指标。 注: 占空比(中文) 英文:Symmetry或Duty Cycle 占空比是脉冲信号…时间:2025/01/29 -
关于有源晶振边侧引线(side pads)功能的特别说明
关于晶诺威科技产有源晶振边侧引线(side pads)功能的特别说明如下: When soldering the crystal oscillators onto boards, make sure the side pads are not shorted or in contact to sol…时间:2024/03/22 -
数字电路中的OSC是什么意思?
数字电路中的OSC是什么意思? 答:振荡器,英文全称是Oscillator。 OSC(振荡器)是一种能够产生高频电信号的电路元件。在电路设计中, OSC(振荡器)广泛应用于无线电通信、音频放大器、时钟电路、数字系统等领域。 OSC(振荡器)的作用是产生稳定的高频信号,通过调整电路元件的参数,可以产生…时间:2024/01/14 -
有源晶振和无源晶振如何接MCU?
关于有源晶振和无源晶振接MCU的方法,晶诺威科技解释如下: 有源晶振如何接MCU? 有源晶振上电直接输出振荡波形信号,直接给MCU用。常规有源晶振只有一个频率信号输出脚,并没有频率输入脚。 具体操作: 有源晶振首先要与MCU共地,供电(Power Supply),然后接MCU信号输入引脚(OSC_I…时间:2023/06/20 -
OSC是有源晶振还是无源晶振?
OSC是有源晶振还是无源晶振? 答:OSC为Oscillator的英文缩写,意为振荡器。 晶体振荡器属于有源晶振系列,是一种能量转换装置,能将直流电能转换为具有一定频率的交流电能,其构成的电路叫振荡电路(Oscillation)。 晶诺威科技产晶体振荡器一般为表贴四脚封装,内部有时钟电路,只需供电便…时间:2023/05/15 -
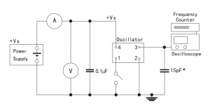
OSC封装的晶振是什么意思?
OSC封装的晶振是什么意思? 答:指的是晶体振荡器,即:有源晶振。 解释: OSC是英文oscillator的简写,振荡器的意思。有源晶振单端输出,需要电源供电。常见输出类型为CMOS方波。 OSC有源晶振测试电路如下: *15pF:指的是模拟负载条件。 举例:晶诺威科技产有源晶振DIP8规格参数如…时间:2023/04/25 -
OSC3225晶振OSC是什么意思?
OSC3225晶振OSC是什么意思?解释如下: (晶诺威科技产有源贴片晶振OSC3225电气参数) OSC是英文Oscillator的简称,中文为振荡器的意思。 OSC3225晶振通常指的是封装尺寸为3.2*2.5mm的石英晶体振荡器,又名有源晶振或钟振。OSC有源晶振测试电路如下: …时间:2023/03/28 -
相噪与有源晶振性能之间的关系是什么?
相位噪声(phase noise),简称相噪,是有源晶振的一项非常重要的性能特征。它对作为振荡器的有源晶振的输出频率稳定性影响非常大,一般情况下,相位噪声越小,则表示有源晶振性能越好,输出信号稳定性越高。 相位噪声对振荡电路的影响 有源晶振的Q值对于改善相位噪声的载波频率附近的相位噪声尤其重要。无论…时间:2022/12/19 -
石英晶体振荡器在航天技术中的作用
石英晶体振荡器作为数字电路中最常用的电子元器件之一,是利用石英晶体的压电效应,以固定的频率模式为数字电路提供时间基准,被称为电子整机的“心脏”。 众所周知,在航空航天领域里,飞船在发射和飞行过程中温度变化大、机械冲击大。而石英晶体振荡器在飞船中的作用是组成一个有效的通信系统;该通信系统可用于导航系统…时间:2022/09/27 -
OSC/石英晶体振荡器/有源晶振安装方法及使用注意事项
关于OSC/石英晶体振荡器/有源晶振安装方法及使用注意事项,归纳五点如下: 1、引脚/焊盘的方向性 石英晶体振荡器具有极性,若反向接入电路,则会导致发生错误工作以及破损。请务必充分注意并确认极性。 2、电路板布线 进行电源线/地线的布线时,为了使阻抗变小请采用较粗的布线。 进行信号线的布线时,为了使…时间:2022/04/22
