-
晶诺威科技产三态功能(Tri-state)晶体振荡器一号脚使用说明
晶诺威科技产三态功能(Tri-state)晶体振荡器一号脚使用说明如下: 如果我司有源晶振规格书中标注其一号脚具备三态功能(Tri-state),其使用说明如下: 当一号脚处于悬空状态(Floating)或为其输入电压为额定电压70%及以上,该晶振信号输出功能激活 当一号脚接地(GND)或为其输入电…时间:2024/03/04 -
晶诺威科技产有源晶振OSC5032系列说明
晶诺威科技产有源晶振OSC5032系列说明如下: FEATURES(特点) • 5.0mm x 3.2mm 4-Pad Surface Mount Package 标准5.0mm x 3.2mm 4焊盘表面贴装封装 • HCMOS/TTL Compatible Output HCMOS输出 • …时间:2024/01/18 -
有源晶振ST脚不用时可以悬空吗?
有源晶振ST脚不用时可以悬空吗? 答:可以。 晶诺威科技解释如下: 有源晶振ST脚指的是该脚具备待机(Stand by)功能。如果不需要此功能,该引脚(一般为有源晶振的1号脚)悬空处理即可。时间:2023/10/20 -
晶体振荡器的Power Supply指的是什么?
晶体振荡器的Power Supply指的是什么? 答:指的是晶体振荡器的供应电源(供电电压)。 In general, an oscillator will exhibit different performance parameters dependant upon supply voltage,…时间:2023/07/31 -
有源晶振的Tri-state/三态脚可以输入3.3V吗?
有源晶振的Tri-state/三态脚可以输入3.3V吗? 答:如果有源晶振的额定输入电压(Power Supply )为3.3V,Tri-state/三态脚可以输入3.3V。 一般情况下,有源晶振的1号脚若具备Tri-state/三态功能,指的是其本身增加了一个“开关”功能(与IC配合使用)。如果不…时间:2023/03/02 -
有源晶振OE功能Logic 1 or Open及Logic 0是什么意思?
我们可能会在有源晶振规格书中见到以下英语: Output will be enable if OE is Logic 1 or Open; Output will be disable if OE is Logic 0. 中文内容如下: 如果OE选择Logic 1(逻辑1)或open(打开),频率信…时间:2022/12/07 -
有源晶振脚1输出:三态Tri-state,使能OE,E/D及待机ST解释
关于有源晶振三态Tri-state,使能OE, E/D及待机ST的知识,晶诺威科技解释如下: 有源晶振(石英晶体振荡器)的脚1(又被称之为1号脚或pin#1)通常是Output Enable(OE)或者Enable/Disable (E/D)。也会叫做Stand-by (ST), Power Dow…时间:2022/07/01 -
如何禁止有源晶振的三态功能Tri-State function?
(有源晶振的三态功能) If Tri-state function is not needed, the Tri-state pin shall be connected to the Vcc pin or left floating. There is an internal pullup res…时间:2022/04/27 -
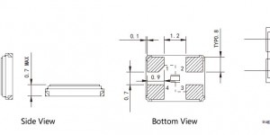
晶诺威科技贴片有源晶振(晶体振荡器)尺寸及焊盘说明汇总
当我们的电子产品需要精度较高、接线尽可能简单的情况下就诞生了一种将起振电路IC集成到与石英晶片一起封装到外壳里的晶振,即有源晶振、石英晶体振荡器,其精密度与稳定性高于无源晶振。 晶体振荡器只需要两个引脚即可,即使做成4PIN的贴片晶振也只用到其中两个PIN脚,而有源晶振从原理上就决定了需要三个PIN…时间:2021/11/09 -
晶体振荡器的三态Tri-state控制功能指的是什么?有E/D控制和无E/D控制有什么区别?
没有三态功能的晶体振荡器, 加电后可正常振荡。具备三态功能的晶体振荡器, 三态端口加电可选择使晶体振荡器不振荡功能, 以此来控制晶体振荡器是否起振荡作用。 E/D控制英文为Enable/Disable, Enable指的是“使该晶体振荡器具备振荡功能”,而Disable则指的是“使该晶体振荡器不具备…时间:2021/09/06
