-
晶振基本参数有哪些?
晶振基本参数有哪些?晶诺威科技解释如下: 频率稳定度: 晶振振荡产生的频率由于某种原因而发生变化,这种频率变化的幅度与额定频率的比值称为频率稳定度。 温度特性: 是指晶振在温度变化时,其输出频率产生的相对变化特性。 品质因数(Q值): 谐振电路储藏的能量与一个周期内电路消耗到能量之比的2r倍。公式为…时间:2023/12/30 -
晶振选型与晶振替代注意事项
关于晶振选型与晶振替代注意事项,晶诺威科技解释如下: 一、 TYPE AND DIMENSIONS封装和尺寸 封装类型和尺寸在选择替代晶振时确实是非常重要的因素。 插针式(DIP): 这些是传统的、分离的元件,可以通过针脚直接插到PCB上的预留孔中。这种封装类型的晶振在设计和生产上相对容易,并且通…时间:2023/10/18 -
晶振选型时需要注意什么?
晶振选型时需要注意什么?晶诺威科技总结如下: 工作频率 根据电路设计和性能要求,选择合适的工作频率。 频率稳定性 不同晶振的频率稳定性存在差异,选择适合应用场景的稳定性水平。 尺寸 根据电路板空间和布局要求,选择合适尺寸的晶振。 负载电容 不同晶振的负载电容要求不同,需要与电路匹配。 工作温度范围 …时间:2023/09/13 -
晶振SMD2016封装尺寸及参数介绍
贴片(SMD)2016封装晶振分为有源晶振和无源晶振两种类型。为了与无源贴片晶振SMD2016加以区分,我们习惯上把有源晶振SMD2016称之为OSC2016。 1、晶诺威科技产有源晶振OSC2016电气参数 特点:高精度、高稳定性、支持三态功能、低抖动 超小尺寸贴片金属封装:2.0*1.6*0.7…时间:2022/07/11 -
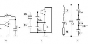
无源晶振主要电气参数及其对电路的影响
(无源晶振主要电气参数及其对电路的影响) RR 阻抗RR越小,晶振越容易起振;反之,若晶振ESR过高,则晶振不易起振,可能会给电路造成不稳定。 C1 动态电容 L1 动态电感 C0 静电容 静电容C0不能太高,否则易产生较大的副波,影响晶振频率稳定性。 FL 在特定负载电容以及激励功率下,频偏越小越…时间:2022/06/27 -
无源晶振SMD3225 12M 12PF ±10PPM常规参数及温度测试数据
晶诺威科技无源晶振SMD3225 12M 12PF ±10PPM常规参数及温度测试数据如下: 测试设备:250B 1、晶诺威科技无源晶振SMD3225 12M 12PF ±10PPM常规参数测试数据(测试参数包括:FL,RR,C0,C1,DLD2,FDLD,RLD2,SPDB,Q,TS,DLDF,S…时间:2022/06/22 -
列举无源晶振关键电气参数对电路的影响
在无源晶振的实际应用中,一些参数并不非固定不变,大部分是会随温度、频率、负载电容、激励功率变化。 RR 谐振电阻 谐振电阻越小越好,过大造成不易起振、电路不稳定。(阻抗 RR 越小越容易起振,反之若 ESR 值较高则较不易起振。所以好的晶振设计应在 ESR 与 C0值间取得平衡。) C0 静电容 静…时间:2022/05/17 -
什么是振荡器Oscillator及振荡电路Oscillation?振荡器如何分类?
(振荡器) 振荡器定义: 振荡器基本上是一个信号发生器,产生某个特定频率的正弦或非正弦信号。振荡器有其各种应用,因为这些是任何电气和电子电路的基本组件。 连续振荡是振荡器工作的基础。有时,振荡器被称为具有正反馈的放大器。或者更具体地说,是开环增益等于或略大于1的反馈放大器。 具体地说,振荡器是将直流…时间:2022/01/17 -
49S插件晶振结构图及相关电气参数
(49S插件晶振产品图片) 49S插件晶振结构图: 49S插件晶振主要参数: 频率范围:3.200MHz to 100.000MHz 体积:11.05x4.65x3.38mm,11.05x4.65x2.8mm,11.05x4.65x2.5mm 调整频差:±10ppm to ±30ppm…时间:2021/11/06 -
晶诺威科技关于晶振指标,规格及参数详细说明
晶诺威科技关于晶振指标,规格及参数详细说明如下: 总频差:在规定的时间内,由于规定的工作和非工作参数全部组合而引起的晶体振荡器频率与给定标称频率的最大偏差。 说明:总频差包括频率温度稳定度、频率老化率造成的偏差、频率电压特性和频率负载特性等共同造成的最大频差。一般只在对短期频率稳定度关心,而对其他频…时间:2021/09/18
