-
无源晶振和有源晶振应用电路差异对比
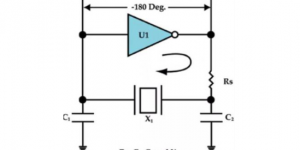
(无源晶振电路) 无源晶振和有源晶振应用电路差异对比如下: 无源晶振(Crystal) (贴片无源晶振内部图) 1、Rf是反馈电阻(一般≥1MΩ),它使反相器在振荡初始时处于线性工作区。 2、Rs与匹配电容组成网络,提供180度相移,同时起到限制振荡幅度,防止反向器输出对无源晶振过驱动将其损坏,同时…时间:2024/05/15 -
有源晶振内部电路图,引脚/焊盘说明图及EMC电路接线图
晶诺威科技产无源晶振与有源晶振内部电路图对比如下: 晶诺威科技产有源晶振引脚/焊盘说明 一般情况下,有源晶振有4个脚,有个圆点标记的我们称之为1号脚(PIN1)或脚#1,按逆时针(管脚向下)分别为2、3、4。晶诺威科技产OSC7050有源晶振尺寸及引脚/焊盘说明如下: 脚…时间:2022/04/25 -
晶体振荡器类型及工作原理介绍
由于具有优异的稳定性,晶体振荡器(属于有源晶振系列)被广泛应用于需要高精度频率输出的通信、测量、时钟、控制设备等领域。随着频率稳定性的要求越来越严格,在很多场合选择购买振荡器比购买晶体谐振器更好,因为仅向振荡器提供电源电压可以很容易地获得具有高稳定性的频率输出。这里我们需要指出的是,晶体振荡器是指晶…时间:2022/04/11 -
无源晶振可以直接替换有源晶振吗?
无源晶振可以直接替换有源晶振吗? 答:不可以。 解释如下: 无源晶振全称为石英晶体谐振器(Crystal/Resonator),时钟芯片为其提供合适的激励功率,振荡电路由电容及电阻等元件配合构成。无源晶振产生的波形为正弦波,经由芯片整形电路后以方波的形式提供给下阶电路。无源晶振具备两个功能脚:频率输…时间:2022/01/11 -
有源晶振方案如何代替无源晶振方案?
有源晶振方案代替无源晶振方案说明如下: 无源晶振应用原理 需要与电容、电阻及电感等组建成谐振电路,正弦波输出(波形幅度小), 后经时钟芯片整形,最终输出为方波。 旧方案:直接使用正弦波,如雷达、无线电发射电台等。 有源晶振应用原理 内置包含IC整形电路在内最佳匹配振荡电路,为完整振荡器,输出波形以方…时间:2022/01/03 -
无源晶振与有源晶振电气参数差异对比
首先说明:晶振是无源晶振(石英晶体谐振器)和有源晶振(石英晶体振荡器)的简称。一般情况下无源晶振脚位不具备方向性,两个管脚需要分别外接负载电容,有源晶振则必须为正确的电压输入脚提供额定电压。关于无源晶振与有源晶振电气参数差异,晶诺威科技现总结如下: ■无源晶振 ●工作频率:石英晶振在给定电路上产生的…时间:2021/12/06 -
有源晶振取代无源晶振电路原理及说明
(有源晶振电路图示例) 在很多电子芯片中,都可以直接使用无源晶振(石英晶体谐振器)做为时钟信号脉冲产生器,如果要求更高质量的时钟,也会用到有源晶振(石英晶体振荡器)。 举例: 常用的单片机AT89C51,其管脚XTAL1和XTAL2本是用来接无源晶振(石英晶体谐振器),需要两个外接电容。如果用来接有…时间:2021/11/29 -
晶诺威科技有源晶振OSC2016内部结构示意图及料盘使用说明
晶诺威科技有源晶振OSC2016内部结构示意图: 晶诺威科技有源晶振OSC2016料盘使用说明: 晶诺威科技有源晶振OSC2016料盘方向说明:时间:2021/03/20 -
有源晶振内部结构、方向及引脚识别图片
晶诺威科技有源晶振125MHz图片示例: 晶诺威科技有源晶振100MHz内部结构图片: 晶诺威科技有源晶振125MHz引脚图例: 晶诺威科技有源晶振接法 有源晶振一般有4个脚,有个点标记的为1脚(三态/悬空脚位),按逆时针(管脚向下)分别为2、3、4。 有源晶振通常的用法…时间:2021/01/30
