-
OSC有源晶振二号脚(#2)接GND是什么意思?
OSC有源晶振二号脚(#2)接GND是什么意思? 答:#2必须接地,因为这是电路的参考地。 GND为英文ground的缩写,在中文中是“地”的意思。 如下图所示:时间:2025/07/04 -
有源晶振输出电平都有哪些?
有源晶振输出电平都有哪些? 答:有源晶振的输出电平标准包括TTL、CMOS、LVDS、HCSL、PECL和LVPECL,选择时需根据具体应用需求。 选择依据: TTL:适合一般数字电路。 CMOS:适合低功耗设备。 LVDS:适合高速数据传输。 HCSL:适合高频时钟信号。 PECL/LVPECL:…时间:2025/04/14 -
晶体振荡器1.8V LVCMOS输出电压是多少?
晶体振荡器1.8V LVCMOS输出电压是多少? 答:1.8V LVCMOS(Low Voltage Complementary Metal-Oxide-Semiconductor)是一种低电压逻辑电平标准,输出电压范围为0.18V到1.62V,具有低功耗和高速传输的特点。适用于低功耗设备和高速信号…时间:2025/03/21 -
晶振哪些引脚可以接地?
关于晶振哪些引脚可以接地的问题,晶诺威科技解释如下: 晶振的引脚是否可以接地取决于其类型和电路设计: 1、 无源晶振(晶体谐振器) 两脚无源晶振 有两个引脚,通常连接振荡电路的输入和输出端。 不能直接接地,否则会导致振荡电路无法工作。 如果需要接地,通常是通过电容间接接地(如负载电容)。 四脚无源晶…时间:2025/03/14 -
有源晶振重要电气参数之一:占空比
关于有源晶振重要电气参数之一,晶诺威科技解释如下: 占空比(Duty Cycle,Symmetry)是一个周期性信号中高电平持续时间与整个周期时间的比例,通常以百分比表示。理想情况下,50%的占空比意味着高电平和低电平的时间相等。 晶振的占空比 无源晶振产生正弦波或近似正弦波的输出。没有明确的高电平…时间:2025/01/31 -
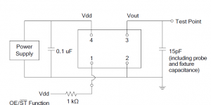
有源晶振如何接入电路?
有源晶振如何接入电路? 答:一般情况下,有源晶振一号脚不连接(NO CONNECTION),二号脚接地(GND),三号脚频率信号输出脚(OUTOUT),四号脚接电源电压(POWER SUPPLY)。 有源晶振测试电路如下: 注:上图仅为测试电路,在有源晶振实际应用中,其信号输出脚不用接15pF电容。…时间:2024/12/24 -
钟振ST引脚具有什么功能?
钟振ST引脚具有什么功能? 答:钟振又名有源晶振,其全称为晶体振荡器(英文:Crystal Oscillator),其ST引脚指的是该引脚(通常为一号脚)具备待机功能(Stand-by),适用于低功耗应用。 晶诺威科技产有源晶振OSC2016一号脚#1(STAND-BY)待机功能说明如下:时间:2024/12/21 -
有源晶振在高低温环境下工作不稳定怎么办?
有源晶振在高低温环境下工作不稳定怎么办? 答:建议选择耐高温有源晶体振荡器(CRYSTAL OSCILLATOR)或温补晶体振荡器(TCXO)。 关于有源晶振的温度频差及频率稳定性,晶诺威科技解释如下: 在标称电源(额定输入电压,如3.3V)和输出负载(OUTPUT LOAD,如15pF)下,工作在…时间:2024/10/28 -
选择晶诺威有源晶振产品需要了解哪些主要参数?
选择晶诺威有源晶振产品需要了解哪些主要参数? 答:与无源晶体的四个主要参数(工作频点,封装要求,频偏要求,温度要求)要求一样;另外,有源晶振还需要供电电压要求,一般情况下不再需要负载电容,因为有源晶振是IC+晶体,所以内部已配置好起振电路和负载电容等。 晶诺威科技产有源晶振OSC2016电气参数如下…时间:2024/10/09 -
CMOS输出低功耗有源晶振1.8V,2.5V, 3.3V,5.0V
24MHz晶振输出波形(CMOS方波) INH Function(使/能功能) Features 特征 CMOS output; CMOS方波 Wide Supply Voltage 宽压:1.6 to 3.63V ;2.5,3.3,5.0V; Low current consumption 低功耗…时间:2024/09/22
