-
智能电视机核心主板晶振都有哪些?
关于智能电视机核心主板晶振频点,晶诺威科技归纳如下: 一、 核心系统时钟晶振 这是最重要的晶振,没有它电视机就无法开机。 主晶振 - 通常为24MHz或25MHz 位置:通常紧贴着主控芯片(SoC,即核心处理器)旁边。 作用:为整个智能电视的“大脑”——主控芯片提供基准时钟。这个时钟经过芯片内部的P…时间:2025/11/02 -
KDS 38.4MHZ 3.3V 0.5PPM VC-TCXO DSA321SDN规格参数
关于KDS 38.4MHZ 3.3V 0.5PPM VC-TCXO DSA321SDN规格参数,晶诺威科技介绍如下: 主要参数: 类型:压控温补晶振 DSA321SDN 标称频率:38.4MHZ 供电电压:3.3V 温度稳定性: ±0.5PPM(-40~+85℃) 频率压控范围:Vcont=1.5V…时间:2025/05/15 -
航标(Beacon)是什么?
航标(Beacon)是什么? 外文名:aids to navigation/sea mark/beacon 全称:助航标志 航标是用于辅助船舶航行、定位和避险的导航设施,通常设置在航道、港口、沿海或内河水域。其主要功能是为船只提供方向、水深、障碍物警告等信息,确保航行安全。航标是航海安全的重要基础设…时间:2025/04/23 -
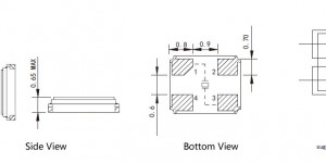
±0.5ppm 38.4MHz VC-TCXO压控温补晶振DSA221SDN介绍
(38.4MHz VC-TCXO压控温补晶振DSA221SDN测试电路) 关于±0.5ppm 38.4MHz VC-TCXO压控温补晶振DSA221SDN,晶诺威科技介绍如下: 1、主要规格参数: Notes 1. Clipped sine wave(DC-coupled) 2.TA=+25C 3.…时间:2025/03/06 -
什么是UWB技术?UWB用到的晶振有哪些?
什么是UWB技术?UWB用到的晶振有哪些? 什么是UWB? UWB(Ultra Wideband)指的是超宽带技术是一种无线载波通信技术,利用纳秒至微微秒极的非正弦波窄脉冲传输数据。 UWB能在10米左右范围内实现数百Mbit/s至数Gbit/s的数据传输速率,具有抗干扰性能强、传输速率高、带宽极宽…时间:2023/05/04 -
KDS VC-TCXO压控温补晶振及TCXO温补晶振规格书
KDS VC-TCXO压控温补晶振及TCXO温补晶振规格及尺寸说明如下: Standard Frequency常规频率 19.2MHz、26MHz、38.4MHz、40MHz、52MHz、 16.3676MHz、16.367667MHz、16.368MHz、16.369MHz、16.8MHz、26M…时间:2022/09/14 -
SMD2520贴片无源晶振38.4MHz规格参数介绍
晶诺威科技产SMD2520贴片无源晶振38.4MHz特点及优势 高精度及高频率稳定性,有效满足芯片对参考时钟频率的需求。 优良的耐环境特性,工作温度范围: -40℃~+85℃。 小体积,节约无线模组的PCB布局空间,让模组在空间设计上更加灵活。 低功耗,功耗驱动功率最高不超过100μW(RF参考)。…时间:2022/07/23 -
过超声波焊晶振SMD2016 38.4MHz 8PF ±10PPM规格及使用说明
晶诺威科技产过超声波焊晶振SMD2016 38.4MHz 8PF ±10PPM规格及使用说明如下: EFR32BG/EFR32MG系列BLE(Zigbee) SOC芯片工作时需要一个外部时钟源提供精准时钟, 而38.4MHz则为推荐频率。对于应用38.4MHz晶振的无线通讯设备往往具备小体积及低功耗…时间:2022/02/18 -
爱普生EPSON热敏晶振FA1612AS 38.4MHz规格参数及使用说明
(FA1612AS热敏晶振产品图片) FA1612AS热敏晶振X1E000401xxxx18为爱普生EPSON生产的频率为38MHz的4脚贴片无源晶振,具有小体积及稳定性好等特点。该款石英晶体谐振器可以在-40°C至+85°C 的温度范围内稳定工作。 爱普生EPSON热敏晶振FA1612AS 38.…时间:2021/09/05 -
GPS全球定位模块常用晶振:TCXO高精度温补晶振
全球定位系统(英文名:Global Positioning System,简称GPS),又称全球卫星定位系统,是把RF射频、基带与CPU,与外围电路集成在一起的定位导航系统。该模块的工作目的是通过导航卫星为我们实现自由的测时测距的需求。数年前GPS的首次现身,就以其精准便捷的定位导航功能迅速吸引了众…时间:2020/06/18
