-
低功耗晶振具备两个特点:低负载及低阻抗
低功耗晶振具备两个特点:低负载及低阻抗 以最小能量实现可靠的振荡许多小型电池供电的设备基于“片上系统”(SoC)组件,在这些应用中,功耗是关键因素。 如今,低功耗通常通过使用较低的工作电压来实现,但这对石英晶振电路的振荡可靠性产生了负面影响。为了弥补这一影响,开发人员必须仔细选择组件并进行最佳电路匹…时间:2024/11/04 -
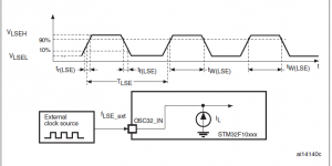
STM32F107芯片32.768KHz晶振不起振怎么解决?
(Low-speed external clock source AC timing diagram) STM32F107芯片32.768KHz晶振不起振怎么解决? 答:STM32F107系列芯片属于低功耗芯片,对RTC外部晶振32.768KHz要求比较严格,推荐我司研发生产的低功耗(LOW CON…时间:2024/10/30 -
晶诺威科技产易起振RTC晶振32.768KHz介绍
(STM32 32.768KHz resonator) 关于晶诺威科技产易起振RTC晶振32.768KHz,介绍如下 所属类别: 外部晶体/晶体谐振器/无源晶振/Crystal/X’TAL/External Crystal Resonator 特点:易起振、高稳定性、计时精准、低功耗 优势: 输出频…时间:2024/10/12 -
低功耗有源晶振SMD3225 2.048MHz测试数据
(低功耗有源晶振SMD3225 2.048MHz测试数据:电流测试设置>3.0mA;实测>0.68mA) 晶诺威科技产低功耗有源晶振SMD3225 2.048MHz主要参数: PRODUCT TYPE: Crystal Oscillator石英晶体振荡器 OSC3225 NOMINAL…时间:2024/10/08 -
JL7012A杰里蓝牙芯片专用低功耗射频晶振24MHz规格参数
(测试:处于+15ppm工作状态的24MHz晶体谐振器) 关于JL7012A杰里蓝牙芯片专用低功耗射频晶振24MHz规格参数,晶诺威科技介绍如下: 标称频率Nominal Frequency:24MHz 封装类型 Holder Type:SMD 3.2*2.5 振动模式 Vibration Mode…时间:2024/06/28 -
1.2V供电低功耗OSC3225有源晶振25MHz规格参数介绍
晶诺威科技产1.2V供电低功耗OSC3225有源晶振25MHz主要参数如下: Nominal Frequency: 25MHz GNW P/N: 10G25MGL1B Frequency Tolerance vs Temperature: <±20ppm Operating Temperatu…时间:2024/05/07 -
晶诺威产低功耗晶体振荡器介绍
Female hand with smartwatch and health application icons nearby, with Genuway crystal oscillators of low current consumption inside 低功耗晶振常见于便携式设备、物联网I…时间:2023/12/11 -
晶诺威科技产低电流晶振介绍
晶诺威科技产低电流晶振低电流晶振特点 功耗低 体积小 精度高 频率输出稳定度高 在低功耗设计中,晶振的选择非常重要。晶诺威科技产低电流晶振具有低电压及待机电流低等特点,可以大大降低功率损耗,提升使用寿命和运行效率。 晶诺威产低电流晶振可提供精准的频率输出,频率稳定度为 ±25 ppm,并且第一年的频…时间:2022/08/25
