-
有源晶振五个关键电气参数解释
关于有源晶振五个关键电气参数,晶诺威科技解释如下: 1、Supply Voltage 指:供电电压 如: 1.8V、2.5V、3.3V、5V等 另外,还存在宽压供电系列,如:1.8~3.3V、3.3V~5V等。 2、Frequency Temperature Stability 指:在指定工作温度范…时间:2025/05/24 -
LVDS和LVPECL的区别是什么?
LVDS和LVPECL的区别是什么?晶诺威科技解释如下: LVDS(Low-Voltage Differential Signaling)和LVPECL(Low-Voltage Positive Emitter-Coupled Logic)是两种常见的高速差分信号标准,广泛应用于数据传输、时钟分配等…时间:2025/05/05 -
LVDS输出50MHz差分晶振电气参数介绍
关于LVDS输出50MHz差分晶振电气参数,晶诺威科技介绍如下: PRODUCT TYPE晶振类型:贴片式差分晶振 SIZE尺寸:3.2mm*2.5mm OUTPUT输出波形:LVDS NOMINAL FREQUENCY 标称频率: 50MHz GNW P/N 晶诺威料号:D10G50M3LS 晶诺…时间:2025/03/01 -
LVCMOS是晶振的什么输出波形?
LVCMOS是晶振的什么输出波形? 答:指的是有源晶振CMOS(方波)输出的一种。 晶诺威科技解释如下: LVCMOS:“LV”英文全称为“Low Voltage”,中文为“低电压”的意思,一般指额定电压为1.8V、2.5V、2.8V方波输出的低功耗有源晶振。 如下图所示:晶诺威科技生产的有源贴片晶…时间:2024/04/30 -
CMOS输出有源晶振电流功耗说明(含输出使能及待机功能)
关于有源晶振电流功耗说明(含输出使能及待机功能),晶诺威科技举例如下: 方波(CMOS)输出有源晶振主要电气参数 *1 Frequency tolerance includes initial frequency tolerance, temperature variation, supply vo…时间:2024/04/16 -
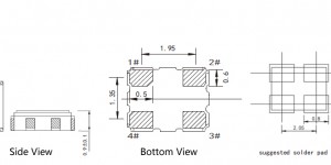
Terminal land connections, output waveform and standby function of OSC2016 32.768KHz
Terminal land connections, output waveform and standby function of OSC2016 32.768KHz Specifications for OSC2016 32.768KHz made by Genuway Technology S…时间:2024/03/11 -
关于具备Tri-State (Enable/Disable)功能的晶体振荡器的解释说明
关于具备Tri-State (Enable/Disable)功能的晶体振荡器,晶诺威科技解释说明如下: Tri-State (Enable/Disable)功能指的是晶体振荡器的三态(开/关)功能。 详解如下: An oscillator with a Tri-State function allo…时间:2023/08/11 -
Jitter and phase noise(英文版)
Jitter Jitter expresses a drift from the ideal position of the clock edge occurring as the result of the fluctuation of the clock signal waveform in t…时间:2022/11/29 -
FREQUENCY CHARACTERISTICS FOR TCXO2520 38.400MHz
FREQUENCY CHARACTERISTICS FOR TCXO2520 38.400MHz (温补晶振38.400MHz规格参数) Frequency: 38.400MHz Frequency calibration (at 25°C±2℃): ±1ppm max. Reflow shift …时间:2022/07/27 -
进口工控有源晶振国产化替代方案
关于进口工控有源晶振国产化替代,以下重要电气参数值得关注: 温度频差Frequency Stability vs Temperature ±10ppm、±20ppm、±30ppm 工作温度范围Operating Temperature Range -20~+70℃、-40~+85℃ 输出波型Outp…时间:2022/04/24
