
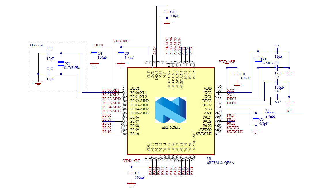
1、Schematic QFAA and QFAB QFN48 with internal LDO setup

2、 Schematic QFAA and QFAB QFN48 with DC/DC regulator setup

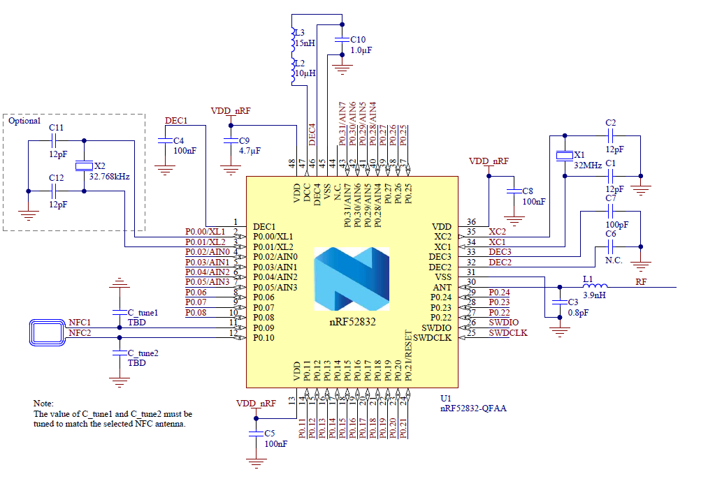
3、 Schematic QFAA and QFAB QFN48 with DC/DC regulator and NFC setup

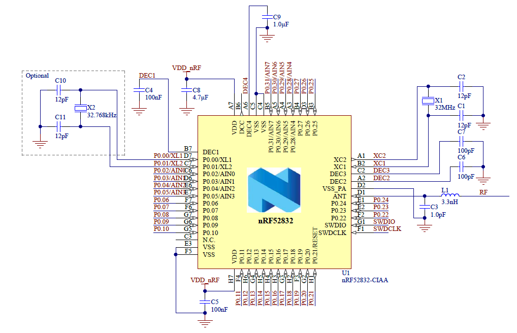
4、 Schematic CIAA WLCSP with internal LDO setup

5、 Schematic CIAA WLCSP with DC/DC regulator setup

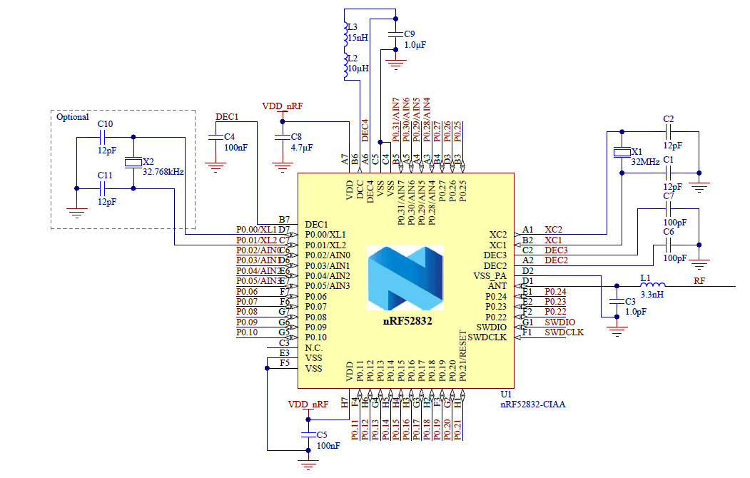
6、 Schematic CIAA WLCSP with DC/DC regulator and NFC setup

