-
晶振的输出频率快了怎么解决?
晶振的输出频率快了怎么解决? 答:首选排查点:负载电容和晶振本体,这是最可能、最容易解决的问题。 1、负载电容 晶振的频率主要由其自身和外部匹配的负载电容共同决定。负载电容变小,频率会向晶振的标称串联谐振频率偏移,导致频率变快。 核对BOM和原理图,确认设计使用的负载电容值(CL1, CL2)是否正…时间:2026/02/25 -
为什么晶振一端有波形另外一端没有波形?
(32MHz无源晶振输出波形:正弦波) 为什么晶振一端有波形另外一端没有波形? 如果测量晶振时发现一端有波形而另一端没有波形,通常意味着电路工作不正常。晶诺威科技分析原因如下: 一、 测量方法错误(最常见原因) 1、探头影响了振荡: 这是最常见的原因。晶振电路对负载电容极其敏感。你接上探头的瞬间,相…时间:2026/01/28 -
介绍两种简单的有源晶振测试方法
介绍两种简单的有源晶振测试方法,如下: 一、用万用表测试(只能判断好坏,不能判断振荡是否正常) 有源晶振(如 CMOS、LVDS、LVPECL 晶振)需要供电才能工作,万用表可以用来检测供电情况,但不能直接测频率。 测试方法(CMOS、LVDS、LVPECL 晶振) 1、将万用表调到 直流电压档(D…时间:2026/01/08 -
如何用最简单方法测试无源晶振是否起振?
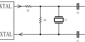
如何用最简单方法测试无源晶振是否起振? 一、用万用表测试(只能判断好坏,不能判断振荡是否正常) 无源晶振(XTAL)本质上是一个无源压电元件,万用表无法测量它的振荡情况,但可以做简单的通断性检查: 测试方法 :二极管档(或电阻档)测量两端阻值; 将万用表拨到 二极管档(或 20MΩ 电阻档); 分别…时间:2026/01/05 -
可以使用万用表测无源晶振有没有起振吗?
可以使用万用表测无源晶振有没有起振吗? 答:使用万用表无法判定无源晶振是否起振。 晶诺威科技解释如下: 使用万用表直流电压档测量无源晶振频率管脚的两端电压。 正常起振时,(至少满足)电压应接近芯片供电电压VCC的一半。 如果发现晶振两端的电压有明显偏差,例如一边接近VCC或接近0V,这可能表明晶振没…时间:2025/02/28 -
晶振正常工作输出什么样的波形?
晶振正常工作输出什么样的波形?晶诺威科技解释如下: 晶振正常工作时输出的波形通常是正弦波或方波,具体取决于晶振的类型和设计。 一、正弦波(Sine Wave)特点: 波形平滑,谐波少,占空比50%。 (使用频率计数器测量32MHz晶振输出频率为32.05MHz,波形为正弦波) 常见应用: 射频电路、…时间:2025/02/05 -
无源晶振没有起振会有波形输出吗?
无源晶振没有起振会有波形输出吗? 答:晶振不起振,不会有该频率的波形输出。 通过示波器观察,32MHz无源晶振起振后测试到的正弦波形(SINEWAVE)如下: 注意: 示波器只能测试到晶振频率在32MHz左右(如上图所示:32.05MHz)。如果需要更为精准的晶振输出频率,请借助频率计…时间:2025/01/08 -
TESTING CONDITION FOR GNW QUARTZ CRYSTAL UNITS晶振测试条件
(SMD2520宽温晶体谐振器12MHz 12pF ±10ppm电气参数) TESTING CONDITION FOR GNW QUARTZ CRYSTAL UNITS 晶振测试条件及环境 Standard atmospheric conditions Unless otherwise speci…时间:2024/12/03 -
无源晶振两端都有波形吗?
无源晶振两端都有波形吗? 答:是的。无源晶振正常起振后,用频率计或示波器测量晶振的输出端或输入端,均可测到差异不大的正弦波信号(SINE WAVE)。如果晶振两端(指:频率的两个管脚)或其中一端测不到正确的频率信号(如8MHz晶振,应该测到接近8MHz的频率),说明晶振没有处于正常工作状态或测量方法…时间:2024/11/11 -
如何使用简单和专业的方法判断晶振是否损坏?
如何使用简单和专业的方法判断晶振是否损坏?晶诺威科技解释如下: 一、初步检查 1、目测检查: 检查晶振表面是否有明显的破损、裂缝、氧化等现象。这些可能导致晶振工作异常甚至无法工作。 2、装配问题: 检查晶振与电路板之间的焊接是否牢固、连接正常。焊接不良可能导致晶振的信号不稳定或失效。 二、简单检测方…时间:2024/11/06
