-
低相噪锁相晶振PLL-OSC0914规格参数说明
(低相噪锁相晶振PLL-OSC0914尺寸及引脚使用说明) 关于低相噪锁相晶振PLL-OSC0914规格参数,晶诺威科技说明如下: 1、产品特点: 支持外部信号参考源 输出类型(可选):正弦波Sine Wave、方波CMOS 低相噪、低抖动 SMD贴片式封装 9.3*14.6mm 工作温度:-40~…时间:2025/10/27 -
关于RTC振荡电路与时钟精准度的解释
关于RTC振荡电路与时钟精准度,晶诺威科技解释如下: RTC振荡电路与时钟精准度 英文:RTC oscillator circuit and clock accuracy Oscillator Circuit 振荡器电路 Usually the RTC uses an external 32.768…时间:2025/04/30 -
晶振哪些引脚可以悬空?
关于晶振哪些引脚可以悬空的问题,晶诺威科技解释如下: 晶振的引脚是否可以悬空取决于其类型和电路设计: 1、 无源晶振(晶体谐振器): 通常有两个引脚,分别连接振荡电路的输入和输出端。这两个引脚都不能悬空,否则电路无法正常工作。 关于四引脚无源晶振,通常脚1和脚3为频率管脚,分别连接振荡电路的输入和输…时间:2025/03/13 -
OSC有源晶振接单片机/芯片/MCU哪个脚?
OSC有源晶振接单片机/芯片/MCU哪个脚? 答:接单片机/芯片/MCU的频率(时钟)信号输入脚(OSC IN/CLK IN)。如果单片机/芯片/MCU还具备频率(时钟)信号输出脚(OSC OUT/CLK OUT),该引脚悬空(FLOATING)即可。 如下图所示: 晶诺威科技产有源晶振OSC322…时间:2024/12/25 -
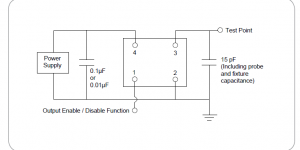
有源晶振输出使能功能OE Function:Output Enable( Internal pullup resistance)
有源晶振的输出使能功能(OE Function)是什么意思? 答:OE :Output Enable。如果有源晶振一号脚(Pin1)具备OE功能,说明内置上拉电阻(Internal pullup resistance=50kΩ, as is shown below),该晶振具备使能(开关)功能。 时…时间:2024/05/16 -
晶诺威科技产三态功能(Tri-state)晶体振荡器一号脚使用说明
晶诺威科技产三态功能(Tri-state)晶体振荡器一号脚使用说明如下: 如果我司有源晶振规格书中标注其一号脚具备三态功能(Tri-state),其使用说明如下: 当一号脚处于悬空状态(Floating)或为其输入电压为额定电压70%及以上,该晶振信号输出功能激活 当一号脚接地(GND)或为其输入电…时间:2024/03/04 -
晶振的NC PIN要接地吗?
晶振的NC PIN要接地吗? 答:不需要接地。 解释: NC(NO CONNECTION)指的是不需要接入电路的意思。NC引脚一般悬空处理即可,最好不要接地。时间:2024/01/20 -
关于具备Tri-State (Enable/Disable)功能的晶体振荡器的解释说明
关于具备Tri-State (Enable/Disable)功能的晶体振荡器,晶诺威科技解释说明如下: Tri-State (Enable/Disable)功能指的是晶体振荡器的三态(开/关)功能。 详解如下: An oscillator with a Tri-State function allo…时间:2023/08/11 -
TCXO温补晶振第一脚(Pin1)可以悬空吗?
TCXO温补晶振第一脚(Pin1)可以悬空吗? 答:如果Pin1有“NO CONNECTION”标注,可以悬空。如果为“GND”,建议接地,而不要悬空。 如下表所示:温补晶振TCXO的1号脚既可以接地也可以悬空。 再如下图: Pin1和Pin2均标识为“GND”,说明Pin1不可以悬空,而需要接地。…时间:2023/08/02 -
有源晶振的Tri-state/三态脚可以输入3.3V吗?
有源晶振的Tri-state/三态脚可以输入3.3V吗? 答:如果有源晶振的额定输入电压(Power Supply )为3.3V,Tri-state/三态脚可以输入3.3V。 一般情况下,有源晶振的1号脚若具备Tri-state/三态功能,指的是其本身增加了一个“开关”功能(与IC配合使用)。如果不…时间:2023/03/02
