-
贴片无源晶振金属外壳与引脚接触会导致波形畸变吗?
贴片无源晶振金属外壳与引脚接触会导致波形畸变吗? 答:是的,如果贴片无源晶振的金属外壳与其频率引脚接触(短路)会直接导致波形畸变,甚至造成停振,使电路完全失效。 一、为什么会导致波形畸变或停振? 无源晶振依赖其两个频率引脚(通常为#1和#3)与外部电路产生谐振来生成时钟信号。如果金属外壳与任一频率引…时间:2026/04/16 -
晶振的限流电阻太大会有什么影响?
晶振的限流电阻太大会有什么影响? 在数字电路中,为晶振的OSC_OUT引脚串接的限流电阻(Rext或Rd或Rs),通常称为串联电阻或阻尼电阻。如果取值过大,可能会产生一系列负面影响。 这个电阻的主要作用通常是: 限制驱动电流,防止芯片内部的振荡器电路对晶振产生过驱动。 提供阻尼,抑制高次谐波,使振荡…时间:2026/03/09 -
晶振电源不稳定会有什么现象?
晶振电源不稳定会有什么现象? 答:电源不稳定会严重影响晶振性能,进而导致系统异常。 (有源晶振测试电路) 晶振电源不稳定可能导致以下现象: 1、 时钟信号不稳定 输出频率漂移,导致系统时钟不准确;时钟信号抖动或相位噪声增加,影响系统同步。 2、 系统工作异常 微控制器或处理器运行出错,程序跑飞或死机…时间:2025/04/28 -
关于外接电容COG(NPO)贴片电容选型注意事项
(无源晶振电路中的外接匹配电容CL1和CL2) COG(NPO)贴片电容简述 COG(NPO)贴片电容属于Class 1温度补偿型电容。它的容量稳定,几乎不随温度、电压、时间的变化而变化。尤其适用于高频电子电路。 COG(NPO)贴片电容特性 具有最高的电容量稳定性,在-55℃~125℃工作温度范围…时间:2024/08/18 -
晶振损坏后的常见故障现象有哪些?
晶振是许多电子设备中的重要元件,它负责产生稳定的时钟信号,以确保设备的正常运行。然而,当晶振损坏时,会导致一些特定的故障现象。晶诺威科技解释如下: 时钟信号不稳定 晶振的损坏可能导致时钟信号变得不稳定。这可能表现为设备的运行速度时快时慢,或者在某些情况下,设备可能完全无法正常工作。这种故障现象通常是…时间:2024/04/13 -
为什么晶振会运行不稳定?
为什么晶振会运行不稳定? 答:首先,请针对晶振单体进行各项关键参数测试,排除因晶振本身不合格造成的不稳定。然后,再进一步分析电源干扰、负载变化、温度变化等因素。可尝试调整电路设计以减少干扰、选择抗干扰晶振、使用适当的电容匹配、选择合适的散热方案等。时间:2024/03/15 -
起振电容在无源晶振电路中的作用
关于起振电容在无源晶振电路中的作用,晶诺威科技解释如下: 无源晶振电路中不只是有一个晶体谐振器。为了满足谐振条件让晶振起振正常工作,通常还有两个电容器。这两个电容被称之为“匹配电容”或者“谐振电容”。一般外接的这两个电容是为了使无源晶振两端的等效电容等于或接近于其负载电容。 在无源晶振电路中,起振电…时间:2023/12/29 -
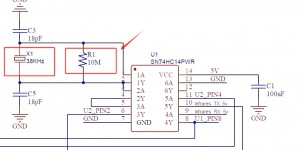
无源晶振电路是并联1MΩ电阻还是10M电阻?
(晶诺威科技产38KHz无源晶振并联10MΩ反馈电阻电路) 无源晶振电路是并联1MΩ电阻还是10M电阻? 答:晶诺威科技建议MHz无源晶振并联1MΩ电阻,而KHz无源晶振并联10MΩ电阻。 (晶诺威科技产8MHz无源晶振并联1MΩ R2反馈电阻电路) 注:该电阻为无源晶振电路的RF反馈电阻,建议保留…时间:2023/11/19 -
晶振不起振的原因分析
单片机晶振的作用是为系统提供基本的时钟信号。通常一个系统共用一个晶振,便于各部分保持同步。不同型号的单片机使用的石英晶振型号及频率也可能是不一样的。单片机中的晶振若是出了问题,单片机也就无法正常工作了。以下我们从晶振及电路应用两个方面来分析可能造成晶振不起振的原因。 关于晶振方面: 1、晶振的选型,…时间:2022/02/22
