-
为什么音叉晶体频率总是32.768kHz?
The tuning fork crystal as it is used in watches is something like the “classic” among the quartz crystals. Its frequency is always exactly 32.768 kHz…时间:2025/09/16 -
PCF8563 Real-time clock 推荐负载电容及晶振电气参数
关于PCF8563 Real-time clock 推荐负载电容及晶振参数,晶诺威科技介绍如下: Fosc = 32.768 kHz; quartz Rs = 40 kΩ; CL = 8 pF NOTE: By evaluating the average capacitance necessary…时间:2025/09/11 -
32.768KHz晶振正常起振输出波形受到干扰图片
(32.768KHz晶振正常起振输出波形) (32.768KHz晶振输出波形受到干扰图片一) (32.768KHz晶振输出波形受到干扰图片二) (32.768KHz晶振输出波形受到干扰图片三)时间:2025/09/03 -
9pF 32.768KHz晶体SMD1610规格参数
(9pF 32.768KHz晶体SMD1610尺寸) 关于9pF 32.768KHz晶体SMD1610规格参数,晶诺威科技介绍如下: 产品名称:晶体谐振器/两脚贴片式无源晶振 类型:DST1610A 标称频率:32.768KHz 料号:1TJH090DR1A0086 焊盘数量:2 MAIN ELEC…时间:2025/06/04 -
石英钟晶振频率都一样吗?
WORLD CLOCK 石英钟晶振频率都一样吗? 答:是的!大部分石英钟所使用的晶振频率均为32.768KHz。 32.768KHz是最常见的KHz频率,用于大多数石英钟和电子表,简称表晶。选择这个频率是因为它易于分频,经过15次二分频后正好得到1Hz的信号,适合驱动秒针。 另外,关于32.768K…时间:2025/03/12 -
32.768KHz晶振与RTC之间有什么关系?
32.768KHz晶振与RTC之间有什么关系? 答:每一次1Hz信号的脉冲,就代表着时间走过了一秒,这种基于32.768KHz的分频计时机制构成了RTC对秒计时的基础。 实时时钟(RTC)作为众多电子设备中时间信息管理的核心模块,其精准运行高度依赖于稳定可靠的时钟源,而32.768KHz晶体振荡器所…时间:2025/02/09 -
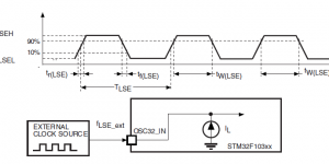
32.768KHZ LSE oscillator characteristics
RTC (real-time clock) and backup registers The RTC and the backup registers are supplied through a switch that takes power either on VDD supply when p…时间:2024/12/01 -
OSC32.768KHz CMOS输出是RTC晶振吗?
OSC32.768KHz CMOS输出是RTC晶振吗? 答:是的,指方波输出的RTC有源时钟晶振,专门提供32.768KHz实时时钟(RTC)信号。其特点是为其提供额定电压就可以输出高精度、高稳定性的方波(CMOS)RTC信号,直接对接芯片数字时钟信号端口(OSC IN)。 对于32.768KHz的…时间:2024/10/20 -
CMOS方波输出32.768KHz高精度直插TCXO温补有源晶振规格参数介绍
(晶诺威科技产32.768KHz高精度直插TCXO温补有源晶振产品图) 关于CMOS方波输出32.768KHz高精度直插TCXO温补有源晶振规格参数,晶诺威科技介绍如下: 一、CMOS方波输出温补晶振32.768KHz TCXO-DIP8主要参数: (温补晶振32.768KHz TCXO-DIP8产…时间:2024/08/09 -
Real Time Clocks (RTCs) in Microcontroller Timers
Real Time Clocks (RTCs) in Microcontroller Timers Overview of Real-time Clocks The real-time clock's basic function is to produce intervals of one sec…时间:2024/07/24
