-
系统深度休眠后被RTC唤醒后时间不准是什么原因?
系统深度休眠后被RTC唤醒后时间不准是什么原因? 这是MCU低功耗场景下的常见问题。晶诺威科技分析及总结原因如下: 1、 RTC时钟源问题 LSI(内部低速RC)精度差:通常±2%~5%误差,受温度电压影响; LSE(外部32.768kHz晶振)不稳定:晶振起振慢,负载电容不匹配; 时钟分频配置错误…时间:2026/02/04 -
芯片内部时钟精度、外部时钟晶振精度与外设总线的关系
关于芯片内部时钟、外部时钟晶振与外设总线的关系,晶诺威科技解释如下: 芯片内部时钟(Internal Clock Signal) 芯片内部时钟可能不稳定,一个是不同芯片有误差,同时随着温度的变化,对内部时钟的精度影响很大。芯片内部时钟精度本身也很差,仅为百分之几。 芯片外部时钟(External C…时间:2025/11/29 -
什么是占空比(Duty Cycle/Symmetry )?什么是周期?什么是频率?
什么是占空比?什么是周期?什么是频率?晶诺威科技解释如下: 一、什么是占空比? 占空比(Duty Cycle/Symmetry )是脉冲信号中高电平持续时间与整个周期时间的比率。它通常用于描述脉冲宽度调制(PWM)信号,其中信号在一定频率下在高电平和低电平之间切换。 60%占空比信号 占空比计算公式…时间:2025/01/30 -
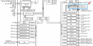
怎么看芯片STM32用的是外部晶振还是内部晶振?
怎么看芯片STM32用的是外部晶振还是内部晶振? 1、查看芯片型号手册 首先,可以通过查看芯片型号手册来确定stm32使用的是内部还是外部晶振。在手册中,通常会有一个时钟树图,显示了MCU时钟系统的整体结构和各个时钟源的连接方式。 2、观察外部晶振引脚 如果STM32使用的是外部晶振,那么通常会有两…时间:2024/12/22 -
RTC时钟配置错误引发时间不正确案例分析
关于RTC时钟配置错误引发时间不正确案例,晶诺威科技分析如下: 不良现象描述: 配置RTC时钟时,发现时间不正常,具体表现为越走越慢。 原因分析: 1、硬件原因 如果RTC使用外部晶振作为时钟源,晶振的频率可能不准确或者出现漂移。晶振的准确度和稳定性直接影响RTC的时间精度。可以尝试更换晶振或使用更…时间:2024/10/14 -
内部振荡器(Oscillator)和外部晶振(External Crystal)的区别是什么?
内部振荡器(Oscillator)和外部晶振(External Crystal)的区别是什么? 单片机是一种集成电路芯片,是把具有数据处理能力的中央处理器、随机和只读存储器及其他外设功能集成到一块硅片上构成的一个小而完善的微型计算机系统芯片,其中内部振荡器和外部晶振是单片机用于产生时钟信号的两种方法…时间:2024/08/31 -
芯片内部已有RTC时钟为什么还要外挂32.768KHz晶振?
芯片内部已有RTC时钟为什么还要外挂32.768KHz晶振? 答:因为外部晶振提供的时钟信号更稳定,更精准。由RC振荡器提供的RTC内部时钟(internal reference clock source)精度为百分之几,而由石英晶振提供的外部时钟(external reference clock …时间:2024/08/20
